Jax Rebel
Navajo Rider
- Член од
- 6 јули 2008
- Мислења
- 5.282
- Поени од реакции
- 2.288
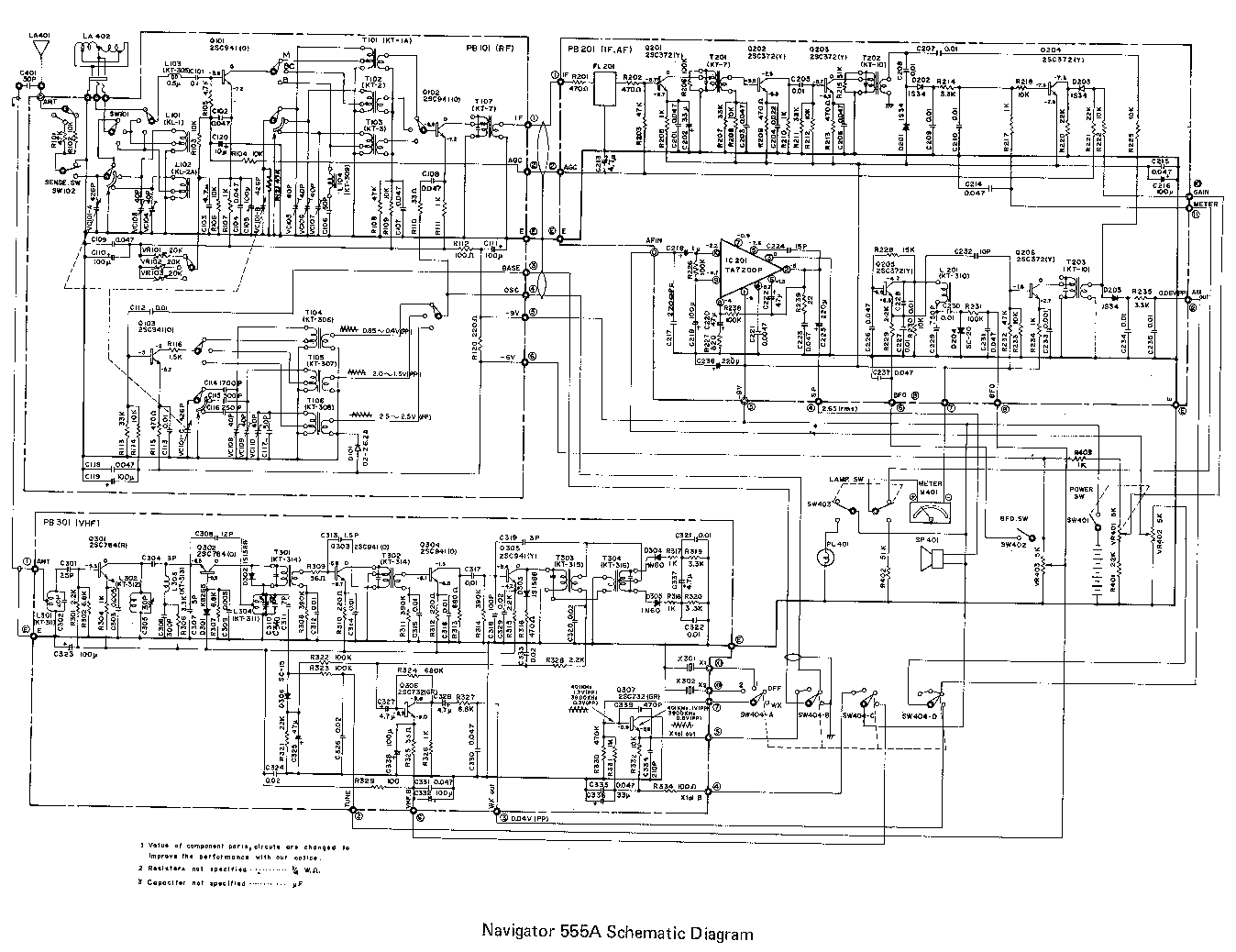
Тоа на сликата се вика.....монитор:helou:
За делот........на него се е напишано!
хаха, навистина монитор било бре мајката ц ццц, како не сум видел порано

Инаку на делот пишува само 150 микрофаради, ништо друго

